Поворотные столы для фрезерных станков с ЧПУ
Поворотные столы — это высокоточная оснастка, которая трансформирует ваш 3-осевой фрезерный станок с ЧПУ в многофункциональный обрабатывающий комплекс. Они добавляют станку 4-ю и 5-ю оси вращения, открывая полный доступ к сложной геометрии детали за один установ. Это ключ к автоматизации производства, исключающий ручные переустановки и гарантирующий безупречную точность на всех этапах обработки.Основные типы решений:
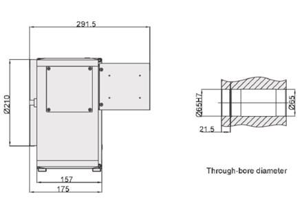
- Поворотные столы (4-я ось): обеспечивают точное вращение заготовки вокруг горизонтальной или вертикальной оси. Идеальны для фрезерования пазов, сверления по окружности и создания цилиндрических деталей.
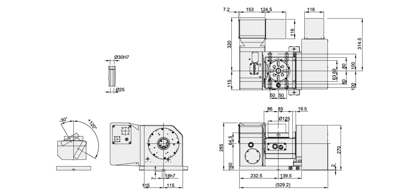
- Наклонно-поворотные столы (4-я и 5-я оси): предоставляют максимальную свободу для обработки под любым углом. Незаменимы для изготовления сложнопрофильных деталей, таких как штампы, лопатки турбин и др.
- Индексные столы: выполняют точные, фиксированные повороты на заданный угол, оптимальны для серийного производства однотипных операций.
Ключевые преимущества внедрения поворотных столов:
Интеграция поворотных столов Detron, GSA и TJR — это стратегическое решение, которое окупается за счет комплексного повышения эффективности вашего производства.- Максимальная производительность: выполняйте до 5-ти сторонних операций за одну установку заготовки. Кардинально сократите цикл изготовления детали и увеличьте выпуск готовой продукции.
- Эталонная точность: высокий класс точности позиционирования и повторяемости тайваньских и китайских производителей гарантирует безупречное качество всей партии, идеально для серийного и мелкосерийного производства.
- Универсальная совместимость: поворотные столы Detron легко интегрируются с ЧПУ большинства фрезерных станков и обрабатывающих центров (включая Fanuc, Siemens, Heidenhain и другие), что обеспечивает быстрый запуск и бесперебойную работу.
- Снижение издержек: экономьте на всем сразу — на переналадках, на ручном труде, на браке и на аренде производственных площадей. Одно оснащение заменяет несколько единиц специализированного оборудования.
- Технологическая гибкость: от сложной 3D-гравировки до фрезерования многогранных деталей. Получите свободу для выполнения самых сложных заказов и расширения номенклатуры без дополнительных инвестиций в станки.
Как купить поворотный стол у официального дилера Detron
Компания «Инкор» реализует высокоточные поворотные столы с ЧПУ от ведущего тайваньского производителя Detron, признанного эталоном надежности в металлообработке, более 10 лет. Оборудование обеспечивает безупречное качество сложной многосторонней обработки на вашем производстве. Чтобы получить консультацию и персональное коммерческое предложение, оставьте заявку. Наши специалисты помогут подобрать модель для интеграции в вашу технологическую цепочку. Обеспечиваем доставку по всей России и полный комплекс сервисного сопровождения.Оставьте заявку
Перезвоним в течение рабочего дня. Обсудим задачи, найдем оптимальное решение и запланируем работы.
Будем на связи!
Компания «Инкор» образовалась в 2014 году с целью импорта металлообрабатывающего оборудования и станочной оснастки российским предприятиям. Современный «Инкор» - это не только крупный поставщик со штатом более 170 человек и полным комплексом сервисных услуг, но и производственная компания с собственной линейкой инновационного оборудования.
ООО «Инкор» специализируется на поставках продукции крупнейших станкостроительных предприятий и производителей станочной оснастки стран Азии, Турции, Белоруссии, России.
Полный цикл поставки, обслуживания
и инжиниринг
Обслуживание станков с ЧПУ и без в несколько этапов
-
1
Подбор
-
2
Поставка
-
3
Монтаж
-
4
ПНР
-
5
Запуск
-
Обслуживание
Отзывы о нашей работе
Компания ООО "ЧЗСИ" выражает благодарность коллективу ООО «ИНКОР» за поставку и монтаж поворотных столов для фрезерных обрабатывающих центров с ЧПУ, с соблюдением сроков выполнения работ.
Благодарим команду «Инкор» за быструю и качественную поставку универсального заточного станка М-40. Мы оценили ваше внимание к деталям, качество оборудования и достойный уровень сервиса.
Выражаю искреннюю благодарность за поставку и проведение пуско-наладочных работ заточного станка TA-5 и круглошлифовального TP-4. Ваша компания зарекомендовала себя как надежный и ответственный поставщик, выполняющий обязательства...
Благодарим специалистов ООО "Инкор" за оперативную поставку поворотного стола Detron модели GXA-210S и последующие пусконаладочные работы на высокоскоростном фрезерном обрабатывающем центре с ЧПУ Kemt MT50BL M...
Перед сотрудниками ООО "ИНКОР" стояла задача подбор и поставка поворотного стола "Detron". Было очень приятно ощущать со стороны работников Вышей компании оперативность и технически грамотное отношение к работе...

